Įsiminti
Patalpos nuomai, Vilnius, Naujininkai, Kuršių g. id:1003355
1 014 € / mėn.
5,02 €/m²
Įsiminė
0
Parodymai
Šiandien: 16
Viso: 1355
Peržiūros
Šiandien: 5
Viso: 251
Objekto informacija
Aprašymas
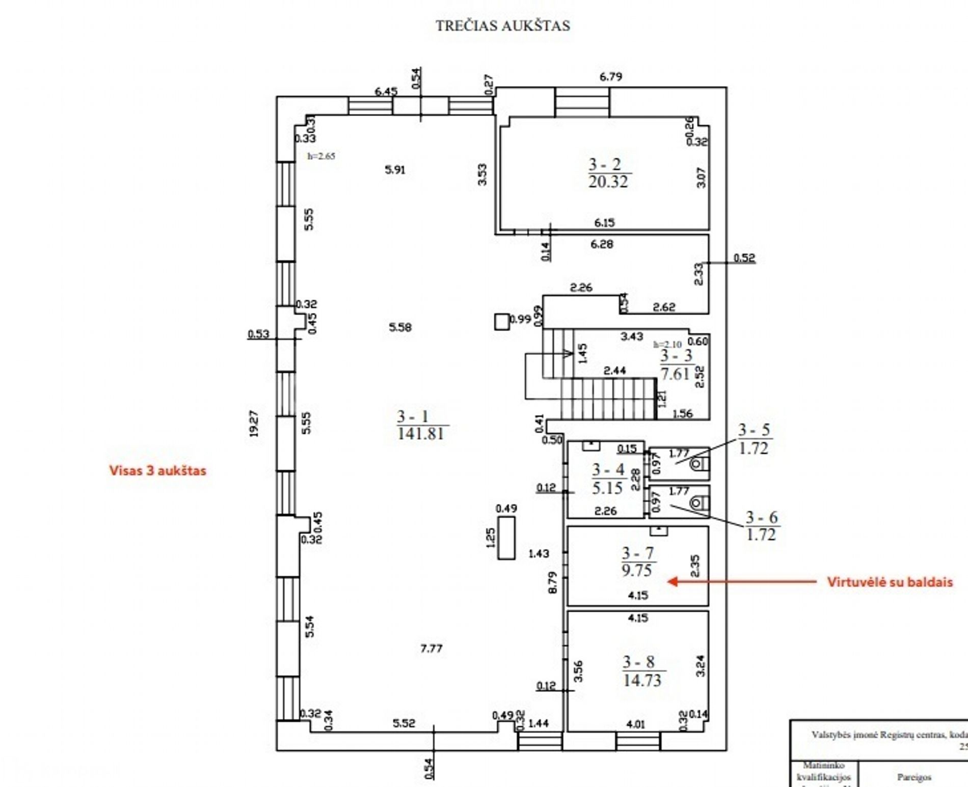
Nuomojamos 203m² ploto administracinės patalpos Kuršių g.
202,81 m² biuro ploto atskiros patalpos trečiame aukšte:
142 m² ploto atvira bendra erdvė; 20 m² pasitarimų kambarys;
15 m² vadovo kabinetas; 10 m² ploto virtuvėlė bei 2 WC;
Šių patalpų nuomos kaina 5 Eur+PVM.
Dar nuomojamos patalpos pirmame aukšte:
3 atskiri kabinetai (11,74 m²+12,70 m²+13,71 m²), viso plotas 38,15 m²;
Šių patalpų nuomos kaina 7 Eur+PVM.
ĮRENGIMAS:
Patalpos nuomojamos su baldais bei esama įranga;
šildymo sistema oras/oras; sumontuoti LED šviestuvai;
oro vėdinimo bei kondicionavimo sistema; patalpose sumontuoti vandens ir elektros skaitikliai; priešgaisrinė ir apsaugos signalizacija.
PRIVALUMAI:
Strategiškai patogi vieta, geras susisiekimas su visomis miesto dalimis:
oro uostas pasiekiamas per ~6 min.; autobusų bei geležinkelio stotys-per ~10min.; patogus įvažiavimas/išvažiavimas Tūkstantmečio g., kuria patogu pasiekti tiek oro uostą, tiek automagistralę Vilnius-Kaunas-Klaipėda; netoliese statybinių medžiagų prekybos centras bei panašaus profilio įmonės. Yra galimybė nuomotis parkavimo vietas (vienos vietos kaina-20 Eur/mėn.+PVM).
KAINA:
Nuomos kaina-nuo 5 Eur už kv.m. plius PVM. -- Objekto nr. Ober-Haus tinklapyje www.ober-haus.lt/OH499141
202,81 m² biuro ploto atskiros patalpos trečiame aukšte:
142 m² ploto atvira bendra erdvė; 20 m² pasitarimų kambarys;
15 m² vadovo kabinetas; 10 m² ploto virtuvėlė bei 2 WC;
Šių patalpų nuomos kaina 5 Eur+PVM.
Dar nuomojamos patalpos pirmame aukšte:
3 atskiri kabinetai (11,74 m²+12,70 m²+13,71 m²), viso plotas 38,15 m²;
Šių patalpų nuomos kaina 7 Eur+PVM.
ĮRENGIMAS:
Patalpos nuomojamos su baldais bei esama įranga;
šildymo sistema oras/oras; sumontuoti LED šviestuvai;
oro vėdinimo bei kondicionavimo sistema; patalpose sumontuoti vandens ir elektros skaitikliai; priešgaisrinė ir apsaugos signalizacija.
PRIVALUMAI:
Strategiškai patogi vieta, geras susisiekimas su visomis miesto dalimis:
oro uostas pasiekiamas per ~6 min.; autobusų bei geležinkelio stotys-per ~10min.; patogus įvažiavimas/išvažiavimas Tūkstantmečio g., kuria patogu pasiekti tiek oro uostą, tiek automagistralę Vilnius-Kaunas-Klaipėda; netoliese statybinių medžiagų prekybos centras bei panašaus profilio įmonės. Yra galimybė nuomotis parkavimo vietas (vienos vietos kaina-20 Eur/mėn.+PVM).
KAINA:
Nuomos kaina-nuo 5 Eur už kv.m. plius PVM. -- Objekto nr. Ober-Haus tinklapyje www.ober-haus.lt/OH499141

